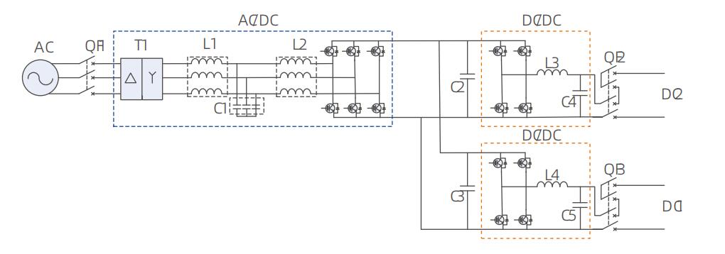
双向双路直流测试电源EVWBT系列具有能量双向流动的特点,既能为负载提供电能,又能将电能无污染的回馈到电网,为用户节省用电成本。

双向双路直流测试电源具有两路独立的DC输出,可以分别设置两路输出的电压、电流等参数,特别适用于能量回馈式对拖测试台架,可适应两路不同电压等级的电机控制器。支持电压24~1000V(800V/1200V)、电流0~1000A(峰值1300A)/功率0~500KW(峰值650KW)全量程范围内连续可调。

应用领域
产品特点
1、双向双路直流测试电源采用四象限控制技术,全功率内能量双向流动,运行稳定可靠,节能高效。
2、双向双路直流测试电源具有恒压、恒流、恒功率多种输出模式。
3、瞬态响应时间≤3ms。
4、采用高速数字控制技术,输出精度达到0.1%。
5、采用PWM整流技术,功率因数>0.99,输出谐波<3%,效率大于93%。
6、具有自动压降补偿功能,自动补偿线路压降。
7、采用七寸触摸屏操作,操作、显示便捷。
8、输出参数、保护参数可编程,可适用于不同类型设备测试。
9、内部器件采用LEM、英飞凌等品牌,设备可靠性高。
10、双向双路直流测试电源采用模块化设计,设备后期维护简便。
技术参数表

产品优势

两路独立输出

双向双路直流测试电源EVWBT系列具有两路独立可调的直流源输出,适用于为不同电压等级的两组负载供电;

双向双路直流测试电源EVWBT系列用于对拖台架,能量形成内循环,为客户降低测试成本。